Home

About Dirk_Hendrik

Mods and Repairs

Dirk_hendrik Pedals

Tech Stuff

Vintage

Contact

Boutique ?!!

links

 

 

Ibanez

Boss

Coron

Shin-Ei

Carlsbro

Pearl

Misc. effects

Electro Harmonix

Oops!

 

Ibanez

Ok, I admit, I love Ibanez effects. Or let's put it different, I highly respect the Maxon design team which was behind many of their effects. These guys got up with some brilliant ideas. (And did some evident borrowing from MXR and EHX just as well.) Some of these, in various cosmetics, have been around for many years. The only problem is that Ibanez (or Hoshino) is definitely a sales company, resulting in various choices which were definitely not driven from a music perspective. One that comes to mind is the first series of Soundtanks in a metal (yes indeed) casing. More sturdy* than the plastic and making them unique in styling.

* Sturdy?! One can critisize Soundtanks a lot for that cheap plastic casing but I have never ever seen a soundtank with a broken case.

Ibanez/Maxon pedals are extremely "discovered" by vintage effect hunters making them not the choice to collect anymore. I've got a few niner's among which my beloved ST-9 (Dirt cheap as someone in a musicstore forgot to do his homework)(BTW, they must have read this as I never saw them made a similar error after this one). I didn't have any plans in getting this series into a "complete" status as that requires an OD-9 which are extremely hard to find. The fact that I did find one at a relatively "dirt cheap" changed this. No hurry. All that would be needed for this collection comes by pretty frequently. Prices are another thing. Especially pedals like the AF-9 are still more players than collectors and therefore usually make good prices as the audience in the bidding pool is larger. The same was the case for the AFL on which I was outbid (or better, outsniped) on multiple occasions before finally getting one.

It seems to me that over the last two years even classic bargain pedals like to Soundtanks start to get some collectors attention and, therefore, finally get the recognition they deserve as unique (yeah I know, dodgy as they are) designs.

Master Series:

Metal Screamer MSL
Super Metal SML
Super Tube STL
Compressor/Limiter CPL
Analog Delay ADL
Flanger FLL
Graphic EQ GEL
Digital Modulation Delay DML
Digital Chorus DCL
Digital Flanger DFL
Digital Delay DDL
Bi-Mode Chorus BCL
Stereo Chorus CSL
Dual Chorus CCL
Bi-Mode Phaser BPL
Parametric Equalizer PQL
Auto Filter AFL

Power Series:

Tube Screamer Classic TS-10
Metal Charger MS-10
Digital Chorus DSC-10
LA Metal LM-7
Fat Cat Distortion FC-10
Mostortion MT-10
Delay III DDL-20
Distortion Charger DS-10
Digital Chorus/Flanger DCF-10
Chorus SC-10
Bass Chorus BC-10
Graphic Equalizer GE-10
Pan Delay DPL-10
Swell Flanger SF-10
Bass Equalizer BE-10
Twin Cam Chorus TC-10
Noise Buster NB-10
Prime Dual Chorus PC-10
Modulation Delay II DML-10
Session Man II SS-20
Octave OT10
Delay II DDL-10

9-Series:

Tube Screamer TS-9
Stereo Chorus CS-9
Parametric Equalizer PQ-9
Super Tube Screamer ST-9
Phaser PT-9
Compressor CP-9
Bi-Mode Chorus BC-9
Overdrive OD-9
Analog Delay AD-9
Super Metal SM-9
Sonic Distortion SD-9
Flanger FL-9
Graphic Equalizer GE-9
Auto Filter GE-9
Multi effect UE-300

DCP Series:

Delay PDD1
Distortion PDS1
Modulation Delay PDM1
Parametric Equalizer PPE1
Overdrive/Distortion POD1
MIDI Interface DMI4

5-Series:

Background info on metal case Soundtanks

Classic Metal CM-5
60's Fuzz SF-5
Powerlead PL-5
CrunchyRhythm CR-5
ThrashMetal TM-5
ModernFusion MF-5
Tube Screamer TS-5
Cyberdrive CD-5
Echo Machine EM-5
Delay DL-5
Compressor CP-5
Chorus CS-5
Black Noise BN-5
Auto Wah AW-5
Flanger FL-5
Bass Compressor BL-5
Tremolo TL-5

0-Series:

Compressor II CP-835
Chorus CS-505
Flanger FL301-DX
Phaser Phasetone PT-909

7 (tonelock)-Series:

Tube Screamer TS-7C
Delay/Echo DE-7C
Smash Box SM7
Chorus Flanger CF7

Multi and rack effects:

Multi effect UE-400
Multi effect UE-405
Digital Delay DM500
Multi effect UE-300

Neo-Classic series:

Tube King TK-999
Tube King Compressor TC-999
Analog Delay AD-99
Classic Flange FL-99
Classic Phase PH-99
Rotary Chorus RC-99

Other:

PhaseTone PT-1000
PhaseTone II/PT707
Flanger FL-303
Standard Wau Wau
Graphic Equalizer GE-100
Graphic Equalizer GE-1000
Tube King TK-999HT

Metal Screamer MSL

Metal Screamer MSL

This is most likely to be THE most common pedal to be forgotten when listing the various models of tubescreamers made over the years. While a pedal like the Super Tube STL will be listed among these that pedal has a lot more differences than the Metal Screamer. Taking a look at the circuit design shows that the low end frequency response is slightly boosted. Furthermore when the circuit is in bypass the signal going to the overdrive stage will be muted. Looking at the PCB design of my Tube Screamer Classic TS10 the layout has some minor changes compared to the Metal Screamer MSL while the same drill pattern is used for the computer automated drill process of the holes on the PCB. The only difference between a Tube Screamer Classic TS-10 are therefore that the frequency respose is back to the Tube Screamer TS-9, TS-808 design and the muting circuit is gone.
Ofcourse, apart from that the casing is so much different in design as well as control names the fact that this is a tubescreamer is easily overlooked. Reason? Most likely marketing considerations to step into the mid eighties metal mania.

Super Metal SML

Super Metal SML

The Super Metal is the successor of the SM-9. As I do not have an SM-9 (yet) I have not verified this in full details but if any, these will be small. The followup of the Super Metal SML is the Metal Charger MS-10 in the 10-series which has exactly the same PCB. Most likely marketing was an issue (again) for this change.Another pedal which shares this design is the Distortion PDS-1 distortion from the DCP series. The difference here is that the rotary controls are replaced here by a chip which contains these (analog !!) controls but gives the advantage of programmability.

Super Tube STL

Super Tube STL

The Supertube STL, a spinoff from the (rare) Super Tube Screamer ST-9 is based in the design of the tubescreamer with a changed tone control circuit. The result is a slightly more coarse sound. This pedal is by far one of my favourites ever.

Compressor CPL

Compressor cpl

A compressor limiter. Later the pedal was re-released as the CP-10 compressor in the 10-series. Circuitwise the CPL and therefore the CP10 are similar to the CP-9 except for the VCA used. In the CP-9 half of a LM13600 OTA was used. In the CPL this OTA was replaced by a BA6110 SIL chip.

Analog Delay ADL

Analog Delay ADL

An analog delay based on an MN3205 BBD. This pedal followed the AD-9. Therefore it's interesting to check how much they resemble.... and that differs. I've seen 2 versions of the AD-9 which do differ in some components among which the filtering. In the end I drew up the AD-9 schematic largely by tracing along the schematic of a CD10 delay champ.

Huh??

Yep that's correct. The ADL and the CD10 share the same Printed Circuit Board. Therefore for reference the CD10/ADL schematic:
Ibanez CD10 Delay Champ Schematic

and the AD-9:
Ibanez AD-9 Analog Delay Schematic
As said, I've seen 2 versions of the AD-9 of which the later is identical to the CD10 form a filtering-component perspective. The differing components have the "other" value mentioned in the schematic.

Flanger FLL

Flanger FLL

An analog flanger based on an MN3207 BBD. I suspect this pedal to be a close to exact copy of the FL-9 from the 9-series. The FLL was reissued in the form of the SF10 Swell Flanger which uses the sam printed circuit board.

Graphic EQ GEL

Graphic EQ GEL

Graphic Equalizer. Re-released as the GE-10 Equalizer in the 10-series.

Digital Modulation Delay DML

Digital Modulation Delay DML

No description yet

Digital Chorus DCL

Digital Chorus DCL

No description yet

Digital Flanger DFL

Digital Flanger DFL

Anyone more to add than that Tom Morello (Rage Against the Machine) (used to) own(s) one??

It's ocassionally stated only a few hundred would have been made and that this thing is extremely rare. The fact that I've seen tens of auctions for this pedal might suggest that the numbers made aren't that low.

Auto Filter AFL

Auto Filter AFL

No description yet

Bi-Mode Chorus BCL

Bi-Mode Chorus BCL

Dual rate and depth control on this Chorus. This pedal was re-released as the Twin-Cam Chorus in the 10-series.

Ibanez BCL schematic

Digital Delay DDL

Digital Delay DDL

No description yet

Stereo Chorus CSL

Stereo Chorus CSL

No description yet

Dual Chorus CCL

Dual Chorus CCL

No description yet.

Bi-Mode Phaser BPL

Bi-Mode Phaser BPL

No description yet.

Parametric Equalizer PQL

Parametric Equalizer PQL

Pertty close to the PQ-9 parameetric EQ. This one was the last parametric EQ made by Ibanez.

Tube Screamer Classic TS-10

Tube Screamer Classic TS-10

Another reincarnation of all those tubescramers. This one is slightly different from the Metalscreamer in PCB layout but the same drill pattern was used. This resulted in some empty holes in the PCB. Amazingly the TS10 finally starts to develop some vintage value as the prices seem to increase last year. Soundwise it's just another tubescreamer. Don't believe all those stories about these tonal differences with other TS-es. If there are slight differences this is more due to component tolerances than anything else. If you can hear em congrats. I seriously doubt if you still can when you're onstage and your drummer is using his cymbals...

Distortion Charger DS-10

Distortion Charger DS-10

No description yet

Metal Charger MS-10

Metal Charger MS-10

One of the most creative designs from the Maxon Guys. Started off as the SM-9, later as the SML Super Metal and eventually in this design. Too bad that when Ibanez changed over to the 5-series Soundtanks they were bound by the 3 knob constraints. I guess that even in a Soundtank case this would be an incredibly popular pedal. The metal charger, as well as it's predesessors, have one problem. The distorted sound doesn't come above unity gain making it easily drowning in the rest of the mix. Modification for this is easy and recommended. Instant Metal in a pedal.

Digital Chorus DSC-10

Digital Chorus DSC-10

Nice idea that didn't work out that well. The DSC is quite a clean chorus and the warmth control doesn't make it any better. Get a DCL instead. Clean chorus without the hassle.

Chorus SC-10

Chorus SC-10

Higly underrated chorus. Could be considered a poor man's RC-99.

LA Metal LM-7

LA Metal LM-7

An oddity it it's type number as it's part of the 10 series and is numbered with a 7. I still have no clue what this thing has to do with LA, let alone with metal. Bad sounding crap. However I still do like the cosmetics as this one is suddenly housed in a solid steel case instead of the common aluminum.

But....
The LM7 is a Factcat (FC-10 that is) ripoff which makes it a ProCo RAT ripoff. It will only take 10 minutes of soldering to convert your LM-7 to FC-10 specs:
Ibanez LM7 to FC10 conversion schematic

Fat Cat Distortion FC-10

Fat Cat Distortion FC-10

There's claims that this pedal had to be the Ibanez answer to the always and ever popular ProCo Rat. Looking at the schematic suggests the same as they are indeed very similar. I had to have it for looks and name alone already. Fat Cat and subtle don't go together. And by the way, I've seen these advertised multiple times as a tubescreamer on steroids. Nothing is further from the truth. The only thing these two have in common is that they're both pedals and have 3 knobs.

Mostortion MT-10

Mostortion MS10

Someone once called this thing the best Tubescreamer ever. Personally I have to disagree since it doesn't have anything in common with a TS.... other than that it DOES sound very Tubescreamerish. The Mostortion should definitely get more recognition as it is an amazingly great pedal and very versatile.

Delay III DDL20

Delay III DDL20

No description yet

Digital Chorus/Flanger DCF-10

Digital Chorus/Flanger DCF-10

One of these gottahaves!!! Instant Steve Kahn in a box! When you see one, get it!

Bass Chorus BC-10

Bass Chorus BC-10

Bass brother of the SC10. Although labelled different the SC-10 and the BC-10 have the same layout for the printed circuit board. Difference is in the silkscreening and the PCB coating only. Other than altered filter values for the BC10 it seems that the BC10 is missing it's de-emphasis filtering completely.

Graphic Equalizer GE-10

Bass Chorus BC-10

Pan Delay DPL-10

Bass Chorus BC-10

Swell Flanger SF-10

Bass Chorus BC-10

Continuation of the FLL in a newer style jacket. I have to verify this one but expect it to be an exact copy of the FL-9.

Bass Equalizer BE-10

Bass Chorus BC-10

Twin Cam Chorus TC-10

Bass Chorus BC-10

Identical to the BCL.

Ibanez TC-10 schematic

Noise Buster NB-10

Bass Chorus BC-10

Clear followup of the National Semiconductor Application note for the LM1849N chip, combined with bypass circuitry in classic Maxon style dimensioning.

Ibanez Noise Buster schematic

Prime Dual Chorus PC-10

Prime Dual Chorus PC-10

Full clone of the CCL Dual Chorus

Modulation Delay II DML-10

Modulation Delay II DML-10

Alsways nice to buy a pedal which you serviced it once.

Session Man II SS-20

Session Man II SS-20

Quite disappointing delay section which is way too short.

Delay II DDL-10

Delay II DDL-10

Another one of those delay that are often cherised by their owners for the quality of the delays but for some reason never really get the recognition they deserve by a larger audience. Even for their age, these delays are quality stuff, well built, great sounding.

Octave OT-10

Octave OT-10

The one and only attempt ever sold by Ibanez for a octaver pedal. These come quite rare so I felt lucky finding a rather affordable broken one. The labelling for the edge control seems quite odd when analysing the circuit and ,when looking up online reviews of this pedal, makes the edge control quite misunderstood. The edge control is the level control of a piece of circuitry that is pretty identical to the octave up section that can be found on an EH microsynth. Therefore, while rolling that guitar volume a little back as is commmon practice with octave fuzzes one will get a neat, "around the 12th fret", upper octave. That means it's not some odd tone control that gives something like "industrial harshness" to the sound. A similar implementation can be found in the Pearl OC08 octaver.

The lower ocave is the classic guitar octaver implementation of a 4013 dual flipflop octave divider like in the EH Microsynth but with the same smoothing circuitry afterwards that can be found in de DOD octoplus, the Boss OC2, that Pearl OC-08 again and probably a few others.

Ibanez TC-10 schematic

Tube Screamer TS-9

Tube Screamer TS-9

No description needed. A classic. Don't believe the stories about that TS808 conversion and the soundwise miracles that will happen. However, if yours happens to have that Toshiba TA75558 chip get it out and get the 4558 back in. That does make a difference. Bear in mind that anything over 50 cents paid for the chip is overpaid. They're still in production and NOS is pure mojo. If you want a real improvement get it modded to one of the more gain like mods like Keeley's. There's several to be found on the web as well. Tubescreamers are really cool when they're on steroids.

Stereo Chorus CS-9

Stereo Chorus CS-9

Jawn Jawn. Just get one and never get rid of it again. Highly lovingable chorus. Nice detail for almost all Ibanzez chorussus is that the wet chorus signal is gated and will be muted if signal is absent at the input, causing the thing to be more silent when not playing.

Parametric Equalizer PQ-9

Parametric Equalizer PQ-9

No description yet.

Super Tube Screamer ST-9

Super Tube Screamer ST-9

One of my prides since this unit is so extremely hard to find. While seeing one go on Ebay for some 220 Euro's I picked this fella up as a bargain at a local music store.The basic design is in fact a tubescreamer with an added "bite" control and a changed cutoff frequency for the "tone" as found on the normal TS. "The bite" gives a fixed 8dB gain in the mid frequencies and can be adjusted for a center frequency ranging from 200 Hertz to 2 Khz. In its mid position the boost is at 300 Hz. The successor of the ST-9 was the STL. Striking difference between the 2 is that the mid tone control suddenly moved from pre-drive stage to post drive stage. My ST-9 came with two TA75558 Toshiba Dual-OpAmps. When changing these to JRC4558D's this type was already stated on the PCB silk screen. Most likely production ran out on 4558's and (temporarily) changed to the 7555's. As stated multiple times already online, forget about that TS-808. This is the pedal to have. Otherwise, get a (far cheaper) Super Tube STL.

Ibanez ST-9 Super Tube Screamer Schematic

Phaser PT-9

Phaser PT-9

Analog Delay AD-9

Analog Delay AD-9

Some quick tech data: Ibanez AD-9 Analog Delay Schematic
I've seen 2 versions of the AD-9 of which the later is identical to the CD10 form a filtering-component perspective. The differing components have the "other" value mentioned in the schematic.

Ibanez AD-9 Analog Delay Schematic

Compressor CP-9

Compressor CP-9

The CP-9 is identical to the CPL and the CP-10 from later series. Except that where these succesors use a SIL OTA as VCA this one still works with half a LM13600 as VCA. Of the other half of the OTA only the darlington transistor section is used as a buffer for the bypass signal.

Bi-Mode Chorus BC-9

Bi-Mode Chorus BC-9

The only thing that exceeds a CS-9. The CS-9 with dual LFO making it even more lushy. Please bear in mind, there's rumours that the BC-9 would be more or less 2 individual chorusses in one package. This is not the case. It has two LFO's (Low Frequency Oscillator) of which the signals are mixed and then used to drive the single BBD delay line.

Overdrive OD-9

By far the holiest grail among the 9 series. This is the one not to fuss about when it's not in mint condition. These are so rare that any that comes by is special already. This one is followed by the story that it was only sold for a short period in France. Since most of the notifications I've seen about their existence I tend to believe that till proven different. By the way, this one comes from France too.

As can be seen from the photo this one is not in mint condition (and I couldn't care less). This however reveals a new theory. Under the scratches another colour of lighter non metallic green paint can be seen that has an incredible resemblance with a far more known colour of green. Tubescreamer Green to be exact. Therefore I suspect (but again, until proven otherwise) that the OD-9's were a batch of repainted Tubescreamers with a different label and different electronics. (No, I haven't bought a fake OD-9. Everything else is original and correct). Considering the limited amount of OD-9's sold this theory seems quite sensible to me. Produce a small batch and see how they sell.

Another thing that amazes me is that this pedal is never mentioned in "The Analog Man's Guide to Vintage Effects" Book. Why is this? Is is because they don't know the pedal?. Wrong. Mike says very clearly "I want one" on his page. Might it be because as soon as it's in the book prices start to go up and this pedal, apparently not in his collection yet, will become even more unaffordable?
Who Knows?

As for the tech details. The OD-9 is electronically a full twin of the orange OD-850 Overdrive. They share the exact same board. Add that to the "green colour" theory and one can wonder if this was a way to lose a relatively small batch of leftover OD-850 boards. Don't set up a production line but change a small number of TS-9's to OD-9's till the last boards are finished. That would also make sense for the only imported in France thing. The number of OD-9's made before the boards were gone was so limited that it was exported as one batch and the first available harbour was France.

Last great fun is that the design of the OD9 seems to have found it's way into the SF5/FZ5 (see the section on that one) Soundtank fuzzes other than for a few minor changes. This makes me wondering if it isn't time to get an FZ7 fuzz and start investigating.

OD-850 Schematic:
OD850 Schematic

OD-850 Service Manual:
OD850 Service Manual

Overdrive OD-9 Overdrive OD-9 Overdrive OD-9 Overdrive OD-9 Overdrive OD-9 Overdrive OD-9

Super Metal SM-9

Super Metal SM-9

As said often this is the Metal Pedal that later became the Super Metal SML and Metal Charger MS10. One of the reasons for owning an SM-9 is its looks alone. Other than that, the SM's with their 3 distortion stages have something in common with a Boss Metal zone. They're one trick pony's capable of one thing. Ultra-gain-ultra-distortion-bedroom metal. Take one on stage and learn withing a few minutes that you'll drown in the mix. Less gain won't work als it will also give you less level which is something the Super Metal's don't have too much in reserve. If you want to get the max out of your supermetal get it modded (or do it yourself). It will give you a little less maximum gain but a much wider gain range as well as a lot more output level.

Sonic Distortion SD-9

Sonic Distortion SD-9

Some do like the SD-9. I don't. It's just too dirty for me. What I never have understood is how people occasionally refer to the SD-9 as the "dirty brother" of a TS. The SD-9 is much more related to an MXR dist+ in it's way of clipping, resulting in a much less compressed sound which is one of the characteristics of a TS.

SD-9 Schematic

Auto Filter GE-9

Auto Filter AF-9

Auto Filter AF-9

The last one I was searching for to be able to complete the original 9 series. Interesting detail that that was the case as well for the AFL in the Master series. Cripes! This thing [i]is[/i] good! No wonder they come by only occasionally.

Flanger FL-9

Flanger FL-9

No description yet

Graphic Equalizer GE-9

Graphic Equalizer GE-9

Blacklabel in an amazingly mint condition. I really had to search for traces that indicated this EQ was even used. It suggests it has never seen a stage before and was more aquainted with bedrooms...

Multi effect UE-300

Multi effect UE-300

No description yet.

DCP (Digitally Controlled Pedal) Series

Let's try to get rid of the old misconception that these are (all) digital pedals. In the case of the delay's this is true. In other cases, like for instance the PDS-1 distortion, this is definitely not the case! It's an analog pedal in which the controls are replaced by chip based potentiometers. This means that the wiper position of the chip potentiometer can be controlled by a microprocessor and just as well settings can be saved!

More facts:
The DCP's case contains 2 printed circuit boards. One contains the effects electronics while the other contains the control electronics. I suspect the controlboard is the same in all the different effects (except for another display) is the same. Changing this board for another type is done by changing a three bit code which is soldered on the back if the PCB:
DCP Series type selection

DCP Series Control board type selection

Don't jump in the conclusion that by changing this code a delay becomes a distortion. That's not the case. The code only selects which program the controller will start to execute which should be the program that applies to the effects electronics on the other board.

Another interesting fact. The PDD Delay can most likely be built into the PDM modulation Delay. They share the same board but a part of the components required for the PDM is not mounted in the PDD.


Make sure the powersupply is of the proper rating! At least, that's the best guess I have for the fact that I have two of these pedals which have died due to one of the components (PN: MC4105F) being burnt. In both cases you need a magnifying glass to notice this. If your pedal is in this state consider it beyond repair unless you're able to get a donor pedal for this chip. That usually means you'll have another DCP that becomes beyond repair.
Burnt chip in DCP pedal

Burnt MC4105F chip in DCP pedal

MIDI Interface DMI4

Parametric Equalizer PPE1

The example of a rather hard to find item. Therefore my BIN finger was pretty fast when I saw this one listed on the Italian Ebay at 20 euro's! Even greater was my surprise that this seller had 60 (!!) of em for sale as well as some 30 PPE1 parametric Eq's! nevertheless, I bought only one and wasn't too surprised that all this merchandise was gone within a day. It seems to me that these have been somewhere stashed away in an Italian warehouse and had been forgotten about till they were all bought by the seller, an Italian surplus equipment dealer. All stuff was completely new in box with all labels manuals and cables complete.

Parametric Equalizer PPE1

Parametric Equalizer PPE1

Came from the same seller who sold the DMI4 above. Completely new in box, never used. Even the label wrapped around the pedal is still there.

PPE

Delay PDD1

Delay PDD1

No description yet.

Modulation Delay PDM1

Modulation Delay PDM1

No description yet.

Overdrive/Distortion POD1

Overdrive/Distortion POD1

No description yet.

Distortion PDS1

Distortion PDS1

So, it's not a digital pedal? Then what is it?
With the PDS1 we're looking at yet another reincarnation of the SM-9 Super Metal so for just the same the SML Super Metal or the MS-10 Metal Charger. Only this time the controls aren't rotary but pushbuttons. Considering the massive soundscape a super Metal has to offer the ability to be able to save settings isn't too bad.

The Soundtank metal case serie.

Although not completely a secret it's still a very common misconception that the Soundtanks were cased in a cheapass plastic case. The first introduced series of the Soundtank came in fact in a metal case. This serie consisted of 6 pedals: The classicmetal CM5, Thrashmetal TM5, Modernfusiom MF5, Crunchyrhythm CR5, Powerlead PL5 and the 60's Fuzz SF5. I never had much interest in these Soundtanks till I aquired a batch of defective pedals in which one of these metal case Classicmetals. Electronically they're of pretty good design and sound OK in general. Without direct interest in aquiring all Soundtanks I started hunting for these metal case examples. In order to do so the easies way to recognize them is by the lettering of the battery cover. In the later, plastic cased series all models got their own font type for the name and the Ibanez logo is in a black background. In the metal case series the font type for the lettering is uniform in all models. Easy hunting...At least..... so I thought....

That was till I got myself a modernfusion in a plastic case but with the "metal case" lettering. Although doubtfull this could have been a recased device of which the original metal case was used for another Soundtank.... and I got myself a plastic cased Thrashmetal with that supposedly metalcase lettering again. Theory busted...... Darn!

So, How to tell em apart?

There's 2 ways.

And this is going to be harder if doing from online auction (etc) photo's.
1) After removal of the battery cover a metal case will have one gap. A plastic case has 2.

Metal Case: Single gap

Metal case: single gap

Plasic Case: Dual Gap

plastic case: Dual gap

Nice, convenient and utterly unpractical. In 99 percent of the cases one has to judge from a photo with the battery cover mounted firmly in place. What will you do? Mail the seller for a photo with the battery cover removed?

So, what's more?
Well eeh, how about number 2?
2) Still depending on photo quality but at least possible to recognize in normal outfit. On the top of the pedal, above the knobs, there's the In, Out and DC lettering. Next to these there's little arrows. In a metal case case the arrow for the input jack is inward and the arrow for the output jack outward. In a plastic case case they're both outward. Simple as that.

Metal Case: Arrows in/down and out/up

Metal Case: Arrows in/down and out/up

Plastic Case: Outward arrows

Plastic Case: Outward arrows

And yep.... there's a three.
Which is close to impossible to define from photo's but when taking the battery cover from a plastic case and the one from a metal case (which are both made out of plastic), the font from the lettering saying drive, tone and level is thicker on the cover from the plastic cased pedal.

This stuff is getting really nerdy!

Classic Metal CM-5

Classic Metal CM-5

Usually the opinion on Soundtanks is not too positive. Compared to their predecessors this is understandable due to their crappy case and looks, The battery door which wants to go missing etc. etc. Now, while not looking at this pedal but while playing and listening one must make one conclusion. It's a very good pedal! Electronically it is in the field of an DOD250 or a distortion+ (which makes the name well chosen) but with an additional active tone control. So, don't discard the CM-5 too easy because of it's looks. It is a good pedal and they still come awfully cheap!

Schematic:
CM-5 Classic Metal Schematic

60's Fuzz SF-5

60's Fuzz SF-5

Well now, here's an interesting one. A namechange for the same pedal in the same serie. The early sixties fuzz is called SF-5. The later version (with it's own font) is called the FZ-5

Want more?
The FZ5/SF5 is electronically really close to a OD850/OD-9. The distorting stages are exactly the same (and have a very distinct resemblance to a EH- Big muff) while the tone control and In/Out stages are different only in the smaller details. Basically what we have here is a poor man's OD850/OD9. As a matter of fact, the SF5 can be changed into a full OD850/OD9 by changing some components only and making a few minor alterations to the PCB.

Furthermore the SF5, just as the OD9 and the OD850 are all clearly based on the EH triangle Big Muff.

ModernFusion MF-5

ModernFusion MF-5

No description yet

Powerlead PL-5

Powerlead PL-5

No description yet

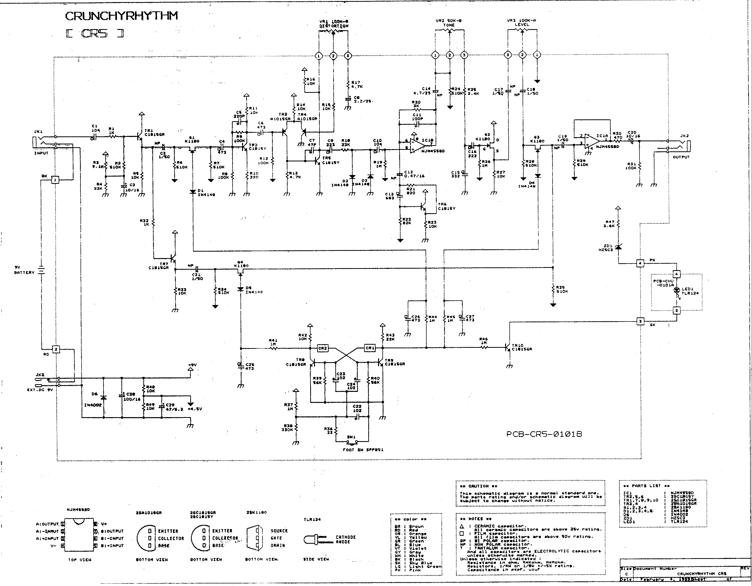
CrunchyRhythm CR-5

CrunchyRhythm CR-5

This one surprised me. So far, other than for the tubescreamer, I had never seen Maxon desigs leverage into the Soundtanks (which are of non-Maxon design). In this case, for the drive stage there's an awful resemblance to the DS-10 Distortion charger. Both seem to utilize some kind of discrete opamp as drive stage. Ofcourse after this the DS-10 has a different tonecontrol.

Schematic:
CR-5 CruchyRhythm Schematic
DS-10 Distortion Charger Schematic

Thrashmetal TM-5

Thrashmetal TM-5

No description yet

Schematic:
Thrashmetal schematic

Tube Screamer TS-5

Tube Screamer TS-5

What's more to say about a Tubescreamer that hasn't been said all over this page already. It's a Poor man's TS9 having the sound but not the looks. This doesn't mean that there's no potential in this one. All modifications that can be done on the various versions of the tubescreamer can be applied to the TS-5 as well, making it a cheap startoff to experiment with pedal midifications.

Cyberdrive CD-5

Cyberdrive CD-5

Heavily misunderstood pedal. One of the best quotes I saw to illustrate this was in a Harmony Central review of this pedal is the "I cannot get a bluesy tone" remark..... Now, think about it would you expect a bluesy tone from a pedal called "Cyberdrive"??? Come On! Get Real!

Having said that, it seems the designers targetted towards the often used "wah in fixed position" lead tone often heard by players like Satrani or Schenker. Jacques calls it "Money for Nothing" in a box referring to the Dire Straits song. Same trick, wah in fixed position. The pedal consists of 2 parts. The first is exactly the same ciruit as in an Ibanez WH-10 wah (2nd version, the black ones, not the gray), of which the wah control is now the Tone control. The output of that wah circuit is fed into a distortion circuit which has striking resemblance to a ProCo Rat, if it weren't that the clipping diodes are in the feedbackloop instead of connected to ground.

The Cyberdrive is good fun to play around with as long as you understand that it's a pedal with a certain character and not an allrounder.

Schematic:
Cyberdrive schematic

Echo Machine EM-5

Echo Machine EM-5

Now, here's an interesting one.
While not extremely looking for Soundtanks I was more or less lookin on a low profile for a DL-5 Delay. I was pointed out to a (verified) DIY tweak that doubled the delaytime of a DL-5 by adding another DRAM memory chip. Instead of returning the output of the DL-5's DRAM chip back to the Delay processor chip ot is sent to a 2nd, added, DRAM chip and the output of that chip goes back to the delay processor. More or less that means that the DRAM's are being used as shift register and quite similar to a BBD Bucked Brigade Device chip. Beauty in it's simplicity!

Hey.... I thought this was about the EM-5??

Uuuh. Yeah... sorry
OK, here's the story. I got myself, eventually, a DL-5. Opened it up but couldn't find the DRAM chip. Other than that the delay controller had the wrong type number. That made me suspect that I was dealing with the wrong PCB in my DL-5 pedal. Further investigation showed that I was indeed dealing with a EM-5 board but with alterations. The EM-5 has clipping in the delay feedback line to suggest a low-fi tape echo. In this case this clipping is left out and the filtering done on the feedback signal is also less strong. Pretty important is that there's no suggestion that ever alterations were made to the board that suggested the board came from an EM-5 originally. One explanation might be that the Hoshino production line ran out of boards for the DL-5 and cured the problem this way. Another, more likely suggestion was that they ran out of delay processor chips of the right type since Mitsubishi stopped making them and changed over to a different type, already used in the EM-5, that was still available.

To make a long story short, forget about that tweak with the DRAM's for now. Furthermore I happened to be in the posession of a EM-5 case left over from a recase job, enabling me to make my DL-5 into the more desired (and more fun to play around with!) EM-s5.

Delay DL-5

Delay DL-5

No description yet

Compressor CP-5

Compressor CP-5

No description yet

Chorus CS-5

Chorus CS-5

No description yet.

Auto Wah AW-5

Auto Wah AW-5

The AW-5 Auto Wah uses the same bandpass filter that's also used in the black WH10's (single pot version) as well as for the tone control of the CD-5 Cyberdrive. Compared to other, older, envelopefilters like the AF-9 and the AFL I have to admit I find the AW5 somewhat disappointing.

Schematic:
AW5 Auto Wah schematic

Black Noise BN-5

Black Noise BN-5

The BN5 seems to be a variation on the Powerlead as they share the same board layout and component numbering. However, in the case of the BN, some stages are left out of the circuit.

Schematic:
Ibanez Black Noise schematic

Flanger FL-5

Flanger FL-5

Did not exactly know what to expect of this flanger. Flangers aren't really my cup of tea anyway. While tracing the circuit of the FL-5 it came more and more clear that it was an exact clone of the FL-9 with the FL-9's delay control omitted.

Bass Compressor BP-5

Bass Compressor BP-5

The bass brother of the CP5 compressor which is, circuitwise, identical to a CP10/CPL compresor which in turn is a MXR dynacomp type OTA comressor.
Change C12 in a CP-5 from 1nF to 470pF (Yes, smaller) and it's a BP-5.

Tremolo TL-5

Tremolo TL-5

In the whole Ibanez/Maxon history very sometimes something shows up only once. While working with panning and other stereo amplitude modulation effects earlier the TL-5 is the only dedicated tremolo ever sold by Ibanez. Similar to the OT10 octaver, the only octaver they ever did or the NB10, the only noise supressor ever done (under the Ibanez Flag).

Phaser Phasetone PT-909

Phaser PT-909

No description yet.

Chorus CS-505

Chorus CS-505

If it weren't for the required 18 volts supply power, the CS-505 would make me forget a CS-9 instantly!

Flanger FL301-DX

Flanger FL301-DX

No description yet.

Compressor II CP-835

Compressor II CP-835



Tech details: CA3080 based comp. Very close resemblance to the MXR dynacomp.

Schematic of the Ibanez CP835:
Ibanez CP835 Schematic

Tube Screamer TS-7C

Tube Screamer TS-7C

Uhuh.
With this one, as well as with the pinkish DE7C, I've given in to a being a gearslut. With these colors... I just had to have em. I hope they'll do a yellow flanger and a real pink chorus in the future too!!

Delay/Echo DE7C

Delay/Echo DE7C

Landmark in digital delays. What a great delay this is!

Smash Box SM7

Smash Box SM7

No description yet

Chorus Flanger CF7

Chorus Flanger CF7

Extremely similar to the Ibanez DSC10 from the power series, both with a Mitsubishi M50198 Delay line inside. Clean sounding chorus and definitely usable. Especially for the budget price these things are sold for. I don't believe in "warm" chorus sounds which I consider sales crap. However, if preferring the chorus sounds like John Scofield or Mike Stern, stay analog with a CS9 or the like. Those will give the crunch of the delay line distorting. I like that personally but beauty is in the ear of the beholder.

Multi effect UE-400

Multi effect UE-400

Posted on the Ibanez Collectors world a while ago (by me)

What I'm going to write below partially hypothetically. Please shoot or add to the my suspicions. A few days ago I bought an UE400 off eBay. When heating it up and stepping onto the distortion my first conclusion was that either me or the rest of the world is deaf. The sound of the distortion did not have any resemblance with a tubescreamer and sounded muck mure fuzzy. Opening up the box and doing some quick analysis showed a basically different circuit than is found in a tubescreamer. Today I did some browsing which showed that Maxon has made the UE400 as well as the UE 401. From two photo's with the unit opened up I had to conclude that the Ibanez UE400 I have is actually the design of a Maxon UE401. What I cannot tell (since I don't have one) is if the Maxon UE400 also appeared as an Ibanez UE400...
welcome everyone who might solve this mystery. A few quality photo's or PCB numbers most likely will do the trick.
What's more then? Well, take this post as a warning that buying a UE400 doesn't nesessarily mean you just bought a Tubescreamer!
How could one have a more certain check? My UE400 is all original and never tweaked. It has only one output jack whereas the later have 2 so the stereo chorus can be used in stereo. Mine can't, although the chorus has a "pull for stereo" push pull pot....

Multi effect UE-405

Multi effect UE-405

No description yet.

Multi effect UE-300

Multi effect UE-300

No description yet.

Digital Delay DM500

Digital Delay DM500

No description yet.

Phasetone PT-1000

Phasetone PT-1000 Phasetone PT-1000

Another one of those rarities. I have seen this one, marketed under another brand, on Ebay once and it went for far less money than the Ibanez brands. I should've bought it. I found this one on a local auction page, reported broken, for some 45 Euro's with the specific request not to bid, become the highest bidder, and then start bargaining to lower the price. One of the previous owners switched polarity on his power supply and destoyed all (3) OpAmps. Therefore the thing was fixed in a few minutes. However the lever of the side switch is broken off and I'm still trying to get a new one. Furthermore someone has drilled a hole in the front (partially through the label, for (I guess) the addition of an adapter socket.

Phasetone II/707

Phasetone II/707

This phasetone doesn't, circuitwise, compare to other pre TS-808 era Phasetone's. While those phasetones use FET transistors as variable resistors in the phasing circuit this one uses VTC type optocouplers. Although not the same it is very clear that parts of the design for this one have been borrowed from the MXR Phase100.

Schematic of the Ibanez PT707:
Phasetone PT707 Schematic

Flanger FL-303

Flanger FL-303

Nice SAD1024 based Flanger. This one was "upgraded" with a DC adapter input. I had to replace 2 opamps and a transistor because "adapter" sooner or later means "wrong polarity"
Schematic of the Ibanez FL-303:
Flanger FL-303 Schematic
PCB Layout:
Flanger FL-303 PCB Layout
Silkscreen:
Flanger FL-303 Silkscreen

Standard WauWau

Standard WauWau

No description yet.

Tube King Compressor TC-999

Tube King Compressor TC-999

Schematic of the TC-999:
TC-999 Schematic

Analog Delay AD-99

Analog Delay AD-99

Why re-invent the wheel? The AD-99 is,circuitwise and aside from the bypass, an almost dead on clone of the classic AD9. And why not? Differences between the AD9, the ADL and the CD10 were already minimal, why change. They're all good analog delays. Never change a winning team.

Schematic of the Ibanez AD-99 Analog Delay:
AD-99 Schematic

Classic Phase PH-99

Classic Phase PH-99

Intereting thing this is... It's the first optical Phaser released by Ibanez since the PT707/PhasetoneII. Not that they have much resemblance.

Schematic of the Ibanez PH-99 Classic Phase:
PH-99 Schematic

Classic Flange FL-99

Classic Flange FL-99

As close as the AD99 above is to all other Ibanez analog delays, so different is the FL99. First, different from the PH-99, the AD-99 and the RC-99, the FL99 does not have a compander to boost the signal to noise ratio. Other than that the heart of the FL-99 is an MN3210 BBD chip. These are rare.. very rare. They're almost just as rare as the similar MN3010 that can be found in some ADA flangers. Hold it here for a second! There's no implication here that the 2 sound alike because of this. However, the diode limiter at the input (schematic below) does suggest that the designers of this thing have taken at least a look at the ADA while making up this one. And there's little wrong in that.

Schematic of the Ibanez FL-99 Classic Flange:
FL-99 Schematic

Rotary Chorus RC-99

Classic Flange FL-99

The RC99 chorus was about the first of the Ibanez Neo-Classic series of which I traced the circuit. Perhaps the TK999 was earlier. After that it was about the last from this series I obtained. The RC99 is a great chorus. One of the best I know. Therefore it was interesting to see houw much it has in common with the simple SC10 chorus. Differences are that the RC-99 has a delay time control whereas this is a fixed setting in the SC10. Other than that the RC99 has a compander (NE571 type) making it a litte quieter, The rest is fairly similar.

The Neo Classics, with the RC99 among them, are gaining popularity/collectability. Grab one while you can!

Schematic of the Ibanez RC-99 Rotary Chorus:
RC-99 Schematic

Tube King TK-999

Tube King TK-999

Taking that starved plate design a step further. Although the tube amplifier stage is still connected as amplifier it isn't really doing amplification. The input signal is gained to extremes and then fed through the tubestage. This makes the tube act more like some kind of filter with tube characteristics then as amplifier. Effective tone control following the distortion stages. This is the European version with a built in (but never used) noise reduction.This specific TK is heavily modified making the sound a lot tighter, lower on noise and more immune to power supply noises.

And some more about the Tubeking. Regardless of what's said there are two versions of the TK999. Bottom line, end of story. The one very common in Europe is the Japanese version. The one common in the US is the US made one. The 2 can be easily told apart. First of al the Japan version has silver knobs where the US one has black knobs. If that's too hard to find out check for a noise reduction switch in the pedal's casing between the jacks. If it's there it's the Japanese. Or else? The US version states the BK Butler 5022305 patent number on it's case. Since there has been quite some drama over the BK Butler patent I have always understood that the Japanese TK999's were for the world and manufacturered by Maxon and the US TK's were manufactured under the TubeWorks flag.

Studying and comparing the circuits of the 2 shows the 2 TK999 versions are completely different! Also, it seems the US version seems to stay a lot closer to the BK Butler patent. After this discovery I's say there shouldn't be any discussion about which one sounds the best as they're completely different pedals!

Schematic of the Japanese TK:
TK-999 Schematic Japanese version
Schematic of the US TK:
TK-999 Schematic US version

Graphic Equalizer GE-100

Graphic Equalizer GE-100

OK. You to add some kind of extra In or Out..... What's a more logic location to drill a hole than in the middle of the front panel? Unbelievable....

Graphic Equalizer GE-1000

Graphic Equalizer GE-1000

The successor off the GE-100. With the "new" Ibanez logo. I was amazed how little info there is on the net for this model. No Harmony Central review (and for the GE-100 there's only one). Compared to the GE-100 there's absolutely no difference at all. They're identical form an electronics perspective. Still a bummer that the bypass switch isn't a footswitch. These EQ-s are pretty effective but not so easy to use on a pedal board.

Tube King TK-999HT

Tube King TK-999HT

Being a gearslut as I am I had to have this one. First of all to get to know the differences between the old one and this new thing and 2nd of all to get a picture if there's any resemblance between old and new at all.

And Yes there is!

They're both pedals. After that all comparison between the old tubeking and this new thing stop. We knew already from the Ibanez advertizing that this one had a high voltage powered tube and this is indeed the case. However, the voicing that is being done in this thing is in no was achieved with one single 12AX7 tube. Prior to the tubestage there's clear diode clipping through 2 zened diodes. Furthermore the most of the sonic capabilities of the pedal come through the tone control after the cliping stage. Very effective.

Last but not least, the TK999HT is a metal monster. All softer style stuff does not apply.

Schematic of the Ibanez TK999HT:
TK999HT Schematic